当前位置: 首页 > 行业管理 > 工程招投标 > 中标信息

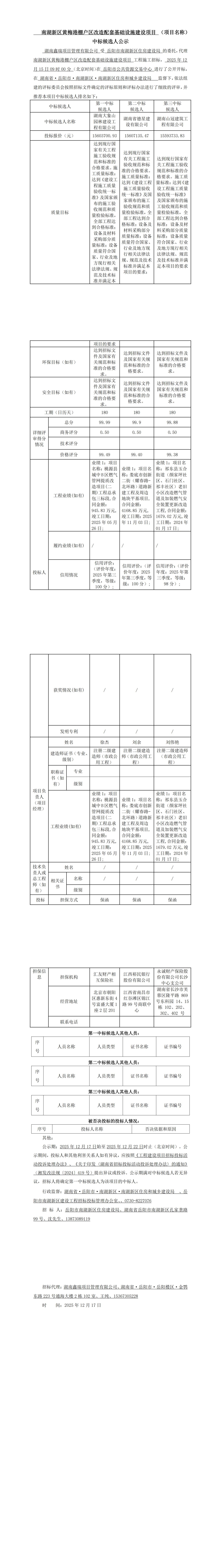
南湖新区黄梅港棚户区改造配套基础设施建设项目 (项目名称) 中标候选人公示

来源:市住建局 发布时间:2025-12-17 10:52